TRP-324B
发稿时间:2023-02-16 15:13


TRP系列:
TRP系列双级直联高速旋片式真空泵,以创新设计、精良的制造,满足客户的需求。
由泵支座、油箱、电机支座、底板和泵芯组成,配置止逆阀和气镇阀保护真空泵和真空系统。效率高、噪音低、易操作及维护方便。
广泛应用于制冷、化工、医疗、镀膜、干燥、实验室、热处理、电子与半导体等领域。
设计特征:
1. 极限真空度高,抽气速度快;
2. 内置油雾捕集器,一体化的设计,更加整洁、环保(TRP-324A);
3. 完善的内置止逆阀系统,在停泵时防止真空油及油蒸汽逆流到真空系统中;
3. 进气口和出气口采用国际标准ISO法兰;
4. 低噪音与振动;
5. 恒定压力油循环系统;
6. 简捷的气镇阀控制;
7. 采用独特的油引出风冷方式,冷却效果明显(TRP-324A)。
技术参数
产品尺寸
抽速曲线
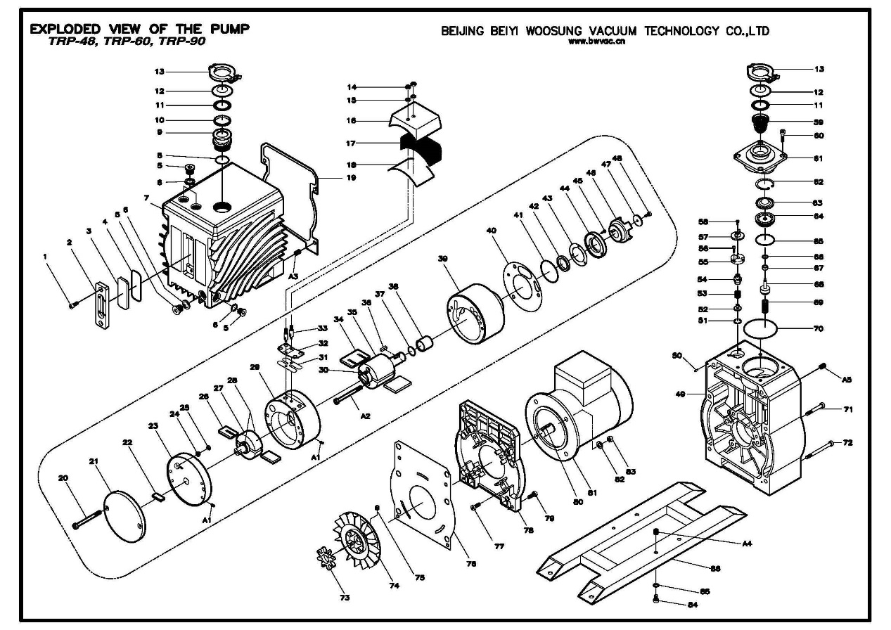
分解图





